产品简述(树脂绝缘干式变压器SCB系列)
我公司引进先进技术软件,优化设计环氧树脂浇注的干式变压器。具有过负荷能力强、热稳定性好、体积小、重量轻、安装简单方便、免维护等优点。因此可广泛应用于高层建筑、商业中心、机场、车站、码头、 地铁、工厂和地下配电站等。
性能特点
安全,防火,无污染,可直接运行于负荷中心
采用国内先进技术,机械强度高,抗短路能强局部放电小,热稳定性好,可靠性高,使用寿命长
低损耗,低噪音,节能效果明显,免维护
散热性能好,过负载能力强,强迫风冷时可提高容量运行
防潮性能好,适应高湿度和其他恶劣环境中运行
配备完善的温度检测和保护系统。采用智能信号温控系统,可自动检测和巡回显示三相绕组各自的工作温度,可自动启动、停止风机,并有报警、跳闸等功能设置。
体积小,重量轻,占地空间少,安装费用低。
工艺特点
铁芯 :干式变压器铁芯采用优质取向冷扎硅钢片材料,由阶梯接缝铁芯自动生产线制造,并采用阶梯接缝(Step-Lap)新工艺。使磁路结构得到改善,阶梯接缝处的磁通密度降低。由于一流的设备、优质的硅钢片以及先进的工艺,铁芯的空载性能大大提高。与常规结构铁芯相比,空载损耗、空载电流和噪声水平分别减少 5~6%、20~30% 和 6%。
线圈:干式变压器线圈为树脂浇注高压线圈;高压线圈为分段式结构,采用高性能树脂系统材料,全自动化真空浇注。低压线圈采用箔式结构。先进的工艺保证了线圈具有局放量小,抗短路能力强的特点。高压线圈调压范围:Un±5% 和 Un± 2X2.5% 调压,有载调压范围更广。
温控装置:具有故障报警、超温报警、超温跳闸、三相巡检、启停风冷装置等功能。
冷却装置:采用轴流风机,具有噪声低,吹风均匀、安装方便等特点,加装风机可长期过载 40%左右。
执行标准
GB1094.11-2022 《干式电力变压器》
GB4028-2017 《外壳防护等级 》
IEC76 《电力变压器》
IEC726 《干式电力变压器》
GB/T17211-1998 《干式电力变压器负载导则》
GB10237-1998 《电力变压器绝缘水平和绝缘试验》
JB/T10008-2004 《6-500KV级变压器声级》
JB/T56009-1998 《干式电力变压器产品质量分等》
GB/T10228-2023 《干式电力变压器技术参数和要求》
订货参数
1、产品型号 2、额定容量
3、电压组合 4、调压范围
5、频 率 6、联结组标号
7、短路阻抗 8、其它:特殊要求须注明。
型号定义

技术参数
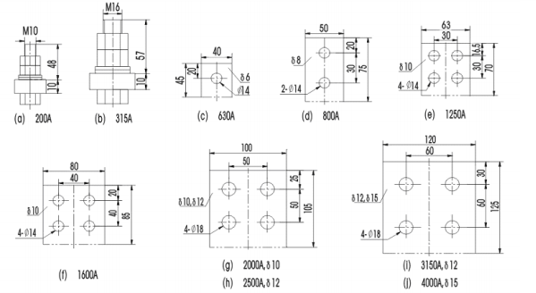
表一:SC(B)10系列10KV级30~2500KVA树脂绝缘干式变压器产品技术数据
|
额定高压电压:10(11,10.5,6.6,6.3,6,3.15)KV;额定低压电压:0.4KV;联接组别:Dyn11或Yyn0;50Hz,三相) |
|||||||||||
|
型号 |
Po (W) |
PK (W) 75° |
UK (%) |
LO (%) |
LP Db AN |
GT kg |
外形图 |
外形尺寸(mm) L*W*H/h |
底座尺寸 (mm) L1/L2 |
高压出线 M1/M2-Md |
低压出线 K1*K2/K3-δ |
|
SC10-30/10 |
190 |
620 |
4 |
2.4 |
42 |
370 |
见图三 |
890*1000*860 |
400/500 |
250/260-M10 |
85*225/220-δ[图a] |
|
SC10-50/10 |
270 |
860 |
2.0 |
42 |
520 |
1030*1000*920 |
550/500 |
250/260-M10 |
90*270/220-δ[图a] |
||
|
SC10-80/10 |
370 |
1200 |
1.6 |
42 |
660 |
1050*1100*930 |
550/550 |
250/302-M10 |
90*270/235-δ[图a] |
||
|
SC10-100/10 |
400 |
1370 |
1.6 |
42 |
720 |
1060*1100*950 |
550/550 |
250/305-M10 |
95*285/238-δ[图a] |
||
|
SC10-125/10 |
470 |
1610 |
1.2 |
42 |
810 |
1080*1100*990 |
550/550 |
250/309-M10 |
95*285/240-δ[图a] |
||
|
SC10-160/10 |
545 |
1850 |
1.2 |
42 |
1010 |
1100*1100*1050 |
660/550 |
260/312-M10 |
95*290/256-δ[图b] |
||
|
SC10-200/10 |
620 |
2200 |
1.2 |
44 |
1140 |
1150*1100*1085 |
660/550 |
260/318-M10 |
100*300/263-δ[图b] |
||
|
SC10-250/10 |
720 |
2400 |
6 |
1.2 |
44 |
1270 |
1210*1100*1100 |
660/550 |
260/322-M10 |
100*300/268-δ[图b] |
|
|
SC10-315/10 |
880 |
3030 |
1.0 |
45 |
1480 |
1340*1200*1170 |
660/600 |
260/326-M10 |
105*315/272-δ[图c] |
||
|
SCB10-400/10 |
980 |
3480 |
1.0 |
45 |
1825 |
1400*1200*1245 |
660/600 |
280/336-M10 |
110*330/282-δ[图d] |
||
|
SCB10-500/10 |
1160 |
4260 |
1.0 |
45 |
1860 |
见图四 |
1400*1200*1280 |
660/600 |
350/338-M10 |
225*450/224-δ[图d] |
|
|
SCB10-630/10 |
1340 |
5130 |
0.8 |
46 |
2120 |
1430*1200*1390 |
820/600 |
350/341-M10 |
230*460/229-δ[图d] |
||
|
SCB10-630/10 |
1300 |
5205 |
0.8 |
46 |
2100 |
1570*1200*1240 |
820/600 |
350/341-M10 |
252.5*505/229-δ[图d] |
||
|
SCB10-800/10 |
1520 |
6075 |
0.8 |
47 |
2530 |
1620*1300*1405 |
820/650 |
350/345-M10 |
260*520/233-δ[图e] |
||
|
SCB10-1000/10 |
1770 |
7100 |
0.6 |
49 |
2965 |
1700*1300*1520 |
820/650 |
400/356-M10 |
275*550/246-δ[图e] |
||
|
SCB10-1250/10 |
2090 |
8465 |
0.6 |
50 |
3500 |
1740*1400*1665 |
820/700 |
400/359-M10 |
282.5*565/249-δ[图f] |
||
|
SCB10-1600/10 |
2450 |
10245 |
0.6 |
50 |
4200 |
1850*1400*1735 |
820/700 |
400/371-M10 |
300*600/263-δ[图f] |
||
|
SCB10-2000/10 |
3050 |
12620 |
0.4 |
52 |
4960 |
1910*1450*1945 |
820/725 |
400/382-M16 |
310*620/274-δ[图g] |
||
|
SCB10-2500/10 |
3600 |
14985 |
0.4 |
52 |
6045 |
2000*1450*2060 |
820/725 |
400/389-M16 |
325*650/284-δ[图h] |
||
注:以上数据供参考,特性、尺寸如有特殊要求,将根据客户要求订制。

低压出线端子示意图

关于我们
产品中心
油浸式变压器
非晶合金变压器
干式变压器
撬装式变压器
应用行业
新闻资讯
公司新闻
行业新闻
技术知识
联系我们
与我们联系
镇江市新区姚桥镇瑞江路62号镇江市新区姚桥镇瑞江路62号
镇江市新区姚桥镇瑞江路62号
手机:18206101988
座机:0511-87058088
邮箱:wy@pfkdq.cn